晶振分類
- 晶振系列
- 陶瓷晶振
- 陶瓷濾波器
- 微孔霧化片
- 希華晶體
- 石英晶振
- SMD晶振
- 聲表面諧振器
- NSK晶振
- TXC晶振
- 臺灣加高晶振
- 臺灣鴻星晶振
- 百利通亞陶晶振
- 臺灣泰藝晶振
- AKER晶振
- NKG晶振
- 進口晶振
- KDS晶振
- 精工晶振
- 村田晶振
- 西鐵城晶振
- 愛普生晶振
- 亞陶,嘉碩晶體
- CTS晶體
- 京瓷晶振
- NDK晶振
- 大河晶振
- 瑪居禮晶振
- 富士晶振
- NAKA晶振
- SMI晶振
- NJR晶振
- 移動設備
- 數碼電子
- 通信網絡
- 醫療電子
- 安防GPRS導航
- 汽車電子
- 歐美晶振
- Abracon晶振
- 康納溫菲爾德晶振
- 日蝕晶振
- ECS晶振
- 高利奇晶振
- 格林雷晶振
- IDT晶振
- JAUCH晶振
- Pletronics晶振
- 拉隆晶振
- Statek晶振
- SiTime晶振
- 維管晶振
- 瑞康晶振
- 微晶晶振
- AEK晶振
- AEL晶振
- Cardinal晶振
- Crystek晶振
- Euroquartz晶振
- Fox晶振
- Frequency晶振
- GEYER晶振
- KVG晶振
- ILSI晶振
- Mmdcomp晶振
- MtronPTI晶振
- QANTEK晶振
- QuartzCom晶振
- Quarztechnik晶振
- Suntsu晶振
- Transko晶振
- Wi2Wi晶振
- ACT晶振
- MTI-milliren晶振
- Lihom晶振
- Rubyquartz晶振
- Oscilent晶振
- SHINSUNG晶振
- ITTI晶振
- PDI晶振
- IQD晶振
- Microchip晶振
- Silicon晶振
- Anderson晶振
- Fortiming晶振
- CORE晶振
- NIPPON晶振
- NIC晶振
- QVS晶振
- Bomar晶振
- Bliley晶振
- GED晶振
- FILTRONETICS晶振
- STD晶振
- Q-Tech晶振
- Wenzel晶振
- NEL晶振
- EM晶振
- PETERMANN晶振
- FCD-Tech晶振
- HEC晶振
- FMI晶振
- Macrobizes晶振
- AXTAL晶振
- Sunny晶振
- ARGO晶振
- 石英晶體振蕩器
- 有源晶振
- 溫補晶振
- 壓控晶振
- 壓控溫補晶振
- 恒溫晶振
- 差分晶振
常見問題
更多>>
Vectron晶振公司是世界領先的頻率控制、傳感器和混合產品解決方案的設計、制造和營銷的領導者,它采用了從直流到微波頻率的大量聲波(BAW)和表面聲波(SAW)的最新技術.美國威克創國際抯設施包含先進的設備.由高頻基礎和SC切割晶體的先進制造所突出的離散晶體技術…100級和10000級潔凈室設施生產前沿陶瓷包裝VCXO抯,時機復蘇和時鐘恢復單位,看到基于過濾器…為國家的藝術測試能力,包括一個專用的空間組件制造設施.
美國威克創抯核心競爭力結合了經典的水晶,看到技術和復雜的集成電路和先進的包裝.除了這些偉大的創新能力之外,Vectron還致力于非常靈活和專注于服務,快速和專業地幫助客戶創新、改進和發展他們的業務.世界領先的頻率控制、傳感器和混合產品解決方案的設計、制造和營銷的領導者,它采用了從直流到微波頻率的大量聲波(BAW)和表面聲波(SAW)的最新技術.產品包括晶體和石英晶體振蕩器;頻率翻譯;時鐘和數據恢復產品;看到過濾器;用于電信、數據通信、頻率合成器、定時、導航、軍事、航空和儀表系統的水晶過濾器和組件.

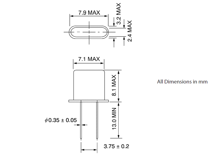
Vectron晶振,石英晶振,VXD1晶振,49U插件石英晶振,引腳焊接型石英晶體元件.工廠倉庫長時間大量庫存常用頻點,.高精度的頻率和晶振本身更低的等效串聯電阻.常用負載電容,49/S石英晶振,因插件型鏡頭成本更低和更高的批量生產能力.主要應用于電視,機頂盒,LCDM和游戲機家用常規電器數碼產品等的最佳選擇.符合RoHS/無鉛.
|



清洗
關于一般清洗液的使用以及超聲波清洗沒有問題,但這僅僅是對單個石英晶體產品進行試驗所得的結果,因此請根據實際使用狀態進行確認.由于音叉型晶體諧振器的頻率范圍和超聲波清洗機的清洗頻率很近,容易受到共振破壞,因此請盡可能避免超聲波清洗.若要進行超聲波清洗,必須事先根據實際使用狀態進行確認.
負極電阻
除非振蕩回路中分配足夠多的負極電阻,否則振蕩或振蕩啟動時間可能會增加(請參閱“關于振蕩”章節內容).Vectron晶振,石英晶振,VXD1晶振,49U插件石英晶振。
負載電容
振蕩電路中負載電容的不同,可能導致壓電石英晶體振蕩頻率與設計頻率之間產生偏差.試圖通過強力調整,可能只會導致不正常的振蕩.在使用之前,請指明該振動電路的負載電容(請參閱“負載電容”章節內容).
晶體振蕩器和實時時鐘模塊
所有石英晶體振蕩器和實時時鐘模塊都以IC形式提供.VXD1晶振,兩腳插件晶振,49U型石英晶振。
撞擊
雖然石英晶體諧振器產品在設計階段已經考慮到其耐撞擊性,但如果掉到地板上或者受到過度的撞擊,以防萬一還是要檢查特性后再使用.

VECTRON晶振公司嚴格遵守國家有關工程建設法律、法規,不斷提高員工的質量意識和能力,履行合約、信守承諾,堅持開拓創新,生產新49U插件晶振產品,不斷提升企業的施工技術素質和質量管理水平,預先采取安全措施,消除或降低危險,優先選用安全系數高的材料、設備及工藝,提高事故預防水平,創造良好的工作環境,保障員工的身心健康. VXD1晶振,兩腳插件晶振,49U型石英晶振。
VECTRON晶振公司環保環境與發展對策:實行可持續發展戰略.采取有效措施,防治工業污染.提高能源利用效率,改善能源結構.重視污染預防,消除偏離程序的行為強調通過員工努力這一最可行的方法持續改進我們經49U插件石英晶體營活動的環境績效. 將持續的環境、健康和安全方面的改進、污染預防和員工的努力納入日常運行當中.Vectron晶振,石英晶振,VXD1晶振,49U插件石英晶振。
VECTRON晶振勞工職業安全衛生議題近年成為世界各國及企業關注焦如何做到‘降低職業災害發生、確保高頻引腳型石英晶振生產工作場所安全、實施員工健康管理’一直是VECTRON晶體努力的方向,公司于2008年12月通過OHSAS18001職業安全衛生管理系統驗證,提供勞工符合系統要求的安全衛生工作環境.

深圳市兆現電子有限公司
聯系人:龔成
電話:0755--27876236聯系人:龔成
QQ:769468702
手機:13590198504
郵箱:zhaoxiandz@163.com
網站:http://m.jngps.cn/









