晶振分類
- 晶振系列
- 陶瓷晶振
- 陶瓷濾波器
- 微孔霧化片
- 希華晶體
- 石英晶振
- SMD晶振
- 聲表面諧振器
- NSK晶振
- TXC晶振
- 臺灣加高晶振
- 臺灣鴻星晶振
- 百利通亞陶晶振
- 臺灣泰藝晶振
- AKER晶振
- NKG晶振
- 進口晶振
- KDS晶振
- 精工晶振
- 村田晶振
- 西鐵城晶振
- 愛普生晶振
- 亞陶,嘉碩晶體
- CTS晶體
- 京瓷晶振
- NDK晶振
- 大河晶振
- 瑪居禮晶振
- 富士晶振
- NAKA晶振
- SMI晶振
- NJR晶振
- 移動設備
- 數碼電子
- 通信網絡
- 醫療電子
- 安防GPRS導航
- 汽車電子
- 歐美晶振
- Abracon晶振
- 康納溫菲爾德晶振
- 日蝕晶振
- ECS晶振
- 高利奇晶振
- 格林雷晶振
- IDT晶振
- JAUCH晶振
- Pletronics晶振
- 拉隆晶振
- Statek晶振
- SiTime晶振
- 維管晶振
- 瑞康晶振
- 微晶晶振
- AEK晶振
- AEL晶振
- Cardinal晶振
- Crystek晶振
- Euroquartz晶振
- Fox晶振
- Frequency晶振
- GEYER晶振
- KVG晶振
- ILSI晶振
- Mmdcomp晶振
- MtronPTI晶振
- QANTEK晶振
- QuartzCom晶振
- Quarztechnik晶振
- Suntsu晶振
- Transko晶振
- Wi2Wi晶振
- ACT晶振
- MTI-milliren晶振
- Lihom晶振
- Rubyquartz晶振
- Oscilent晶振
- SHINSUNG晶振
- ITTI晶振
- PDI晶振
- IQD晶振
- Microchip晶振
- Silicon晶振
- Anderson晶振
- Fortiming晶振
- CORE晶振
- NIPPON晶振
- NIC晶振
- QVS晶振
- Bomar晶振
- Bliley晶振
- GED晶振
- FILTRONETICS晶振
- STD晶振
- Q-Tech晶振
- Wenzel晶振
- NEL晶振
- EM晶振
- PETERMANN晶振
- FCD-Tech晶振
- HEC晶振
- FMI晶振
- Macrobizes晶振
- AXTAL晶振
- Sunny晶振
- ARGO晶振
- 石英晶體振蕩器
- 有源晶振
- 溫補晶振
- 壓控晶振
- 壓控溫補晶振
- 恒溫晶振
- 差分晶振
常見問題
更多>>
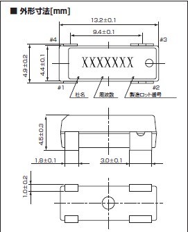
進口KDS晶振,智能手機DMX-38,表晶32.768KHZ,采用完美的切割角度,從設計到生產的每一道工序均采用嚴格調試,地抖動,低消耗的特點,適用于汽車電子領域的表面貼片型小型晶體諧振器,該貼片晶振已被確立的高信賴性最適合用于汽車電子部件,在極端嚴酷的環境條件下也能發揮穩定的起振特性.
.jpg)
| 規格 | DMX-26S | DMX-26 | DMX-38 |
| 頻率范圍 | 32.768kHz(30~100kHz) | 32.768kHz(14.75~100kHz) | |
| 負載電容 | 12.59pF | ||
| 激勵功率 | 1.0μW(2.0μW Max.) | ||
| 頻率公差 | ±30×10-6(at25℃) | ||
| 串聯電阻 | 50KΩmax | ||
| 拐點溫度 | +25℃±5℃ | ||
| 二次溫度系數 | -0.04×10-6/℃2 Max | ||
| 工作溫度范圍 | -40~+85℃ | ||
| 保存溫度范圍 | -40~+85℃ | ||
| 并列電容 | 1.25pF Typ | 1.40pF Typ | 1.65pF Typ |
| 封裝 | 2500pcs./reel (Φ330) | 1000pcs./reel (Φ330) | |
.jpg)



Daishiku靈活地應對不斷變化的社會需求,以市場為導向的方法的核心.我們的專家人員積極參與開發新產品,滿足市場的需求,根據他們的深刻洞察消費者的需求.我們正在開發的產品與《紐約時報》及時,從較小的移動終端到下一代智能電網所代表的工業基礎設施.我們將繼續致力于從事研究和開發高質量的石英裝置.
.jpg)
.jpg)
Daishinku是促進氧化鋅的發展(氧化鋅)單晶.這個水晶是一種寬帶隙半導體與直接過渡.自激子結合能是異常高(60 meV),研究其作為材料進行高效紫外發光二極管和紫外線傳感器.此外,氧化鋅是有前途的襯底外延生長氮化鎵(GaN)電影由于其甘相似的晶格常數,這是一個材料用于制造藍色led和電力半導體.因為exition發射的熒光壽命短,氧化鋅也作為一個快速閃爍體來研究.為其排放特點,氧化鋅發出強烈的光特別針對α射線輻射.


KDS晶振所有的產品均符合歐盟環保標準,公司內部采用嚴格的管理制度,以環保為理念,所有生產的石英晶振產品都是以盡可能的減少對地球的污染為標準,所以KDS產品都是無鉛環保化的.
.jpg)









